EE22 Transformer: Powering Your Tech Explained

T.Serverblend 116 views
EE22 Transformer: Powering Your Tech Explained

EE22 Transformer: Powering Your Tech Explained

Hey tech enthusiasts! Ever wondered about the EE22 transformer and how it quietly works its magic in your electronics? Well, you’re in for a treat because we’re diving deep into the world of this fascinating component. This article will break down everything you need to know about the EE22 transformer , from its core functions to its practical applications, making sure you grasp its significance in the tech world. So, grab a seat, and let’s explore this essential piece of technology together.

Unveiling the EE22 Transformer: A Deep Dive

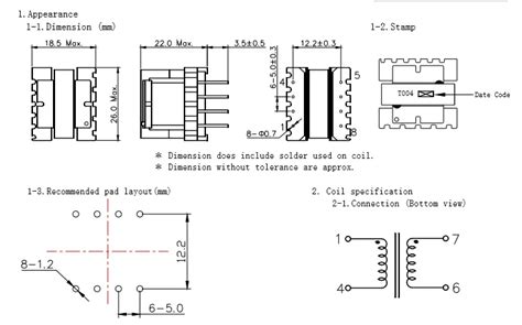
So, what exactly is an EE22 transformer ? Think of it as a crucial voltage converter. It’s a type of transformer specifically designed with an ‘EE’ core, which is a key part of its design. The core is shaped like two capital ‘E’s placed together, which is where the ‘EE’ comes from. This design makes the transformer compact and efficient. Now, the main job of this transformer is to change the voltage of alternating current (AC) electricity. It can either step the voltage up (increase it) or step the voltage down (decrease it). This is super important because different devices need different voltages to function correctly. This is one of the main functions of an EE22 transformer .

Inside, you’ll find a core made from a material like ferrite or silicon steel, wrapped with coils of wire. The primary coil receives the input voltage, and the secondary coil outputs the changed voltage. The ratio of the number of turns in the primary and secondary coils determines whether the voltage is stepped up or down. For example, if the secondary coil has more turns than the primary coil, the voltage will be stepped up. Conversely, if the secondary coil has fewer turns, the voltage is stepped down. The efficiency of an EE22 transformer is high, meaning it wastes very little energy in the conversion process. This is thanks to the core material and design. This is why you’ll find them in a wide array of devices.

Now, let’s look at it more closely. Imagine the electrical power flowing into your device. The EE22 transformer takes this power and adjusts it to match what the device needs to function properly. Without this, your electronics would either be fried from too much voltage or wouldn’t turn on due to too little. It’s like having a traffic controller that ensures the right amount of electricity goes where it needs to, and that’s essential for the safety of electronic components. The design of the EE core helps with this, providing a path for the magnetic flux and contributing to the transformer’s efficiency. With the EE22 transformer , you can make sure that your electronic products are safe and function effectively.

The Importance of Core Materials in EE22 Transformers

The materials used in the core of an EE22 transformer significantly impact its performance. Typically, the cores are made of ferrite or silicon steel. Ferrite cores are favored in high-frequency applications due to their low losses at these frequencies. They are made of ceramic, meaning it’s an excellent insulator, which reduces energy loss. Silicon steel, on the other hand, is often used in low-frequency applications, like those found in power supplies. The choice of the core material depends on the operating frequency and the power requirements of the device. The core material determines the transformer’s efficiency, size, and operating temperature. This selection is crucial for the overall performance and reliability of the transformer. Also, proper core selection helps in minimizing unwanted effects like core saturation, which can affect the transformer’s ability to maintain a consistent output voltage.

Construction and Working Principles

Building an EE22 transformer involves several key steps. The core, typically made of ferrite or silicon steel, is the foundation. Then, the primary and secondary coils are wound around the core. The number of turns in each coil is calculated to achieve the desired voltage transformation ratio. The coils are usually made of copper wire, which has good conductivity and can handle high currents. After the coils are wound, the transformer is assembled, often encased in a housing to protect the internal components. The assembly process is carefully managed to ensure that the core and coils are properly aligned and insulated to prevent short circuits. The entire construction is designed to minimize energy loss and ensure efficient operation. The construction of the EE22 transformer impacts its performance and longevity.

Applications of the EE22 Transformer: Where You’ll Find It

Alright, let’s get down to the practical stuff: where do you actually see these EE22 transformers in action? You’ll find them in a ton of different devices, making them a super versatile component. Here are a few common spots:

  • Power Supplies: This is perhaps their most common application. EE22 transformers are used in almost every electronic device that needs to convert AC power from the wall outlet to a lower DC voltage. Think of your laptop charger, your phone charger, and the power adapter for your gaming console. They all use transformers to step down the voltage to what the devices can handle. It is very likely there is a EE22 transformer in almost every power adapter you own.
  • LED Lighting: EE22 transformers are also a part of LED lighting systems. They help convert the power supply to the voltage and current needed by the LED. Since LEDs often need a specific voltage to operate, the transformer makes sure that the power they receive is suitable. High efficiency is critical in these applications because LED lighting systems are designed to conserve energy. This makes the EE22 transformer a great choice for this.
  • Audio Equipment: In audio amplifiers and other sound equipment, EE22 transformers are often used to step up the voltage to drive the speakers or step down to power the internal circuitry. These transformers need to be very precise to not distort the audio signal. The quality and performance of these transformers contribute directly to the sound quality.

Specific Examples in Everyday Devices

Let’s get more specific, shall we? Take a look around. You’ll find EE22 transformers in:

  • Desktop Computers: Inside your desktop, the power supply unit (PSU) uses an EE22 transformer to convert the mains AC voltage to various DC voltages needed by the different components, like the CPU, GPU, and hard drives.
  • Televisions: Modern TVs use transformers in their power supplies to provide the correct voltage to the display panel and internal electronics. The power supply units of TVs are complex, but the EE22 transformer is a basic component.
  • Medical Equipment: Many medical devices, such as monitors and imaging equipment, require precise and reliable power conversion. EE22 transformers ensure that the power supply is safe and efficient.

Troubleshooting and Maintenance of EE22 Transformers

Like any electronic component, EE22 transformers can run into problems. Knowing how to identify and address these issues is helpful. Here’s a quick guide to troubleshooting:

  • Overheating: If an EE22 transformer is overheating, it could indicate a problem with the load, shorted turns in the coils, or a core that is operating in the saturation region. Check the load to ensure it’s not exceeding the transformer’s capacity. Also, examine the coils for any signs of damage or shorts. If the problem persists, the transformer might need to be replaced.
  • No Output Voltage: If there is no output voltage, the primary coil could be open, or there might be a short in the secondary coil. Use a multimeter to check the continuity of both the primary and secondary windings. A reading of infinity indicates an open circuit, and zero indicates a short. Make sure the input voltage is correct.
  • Reduced Output Voltage: If the output voltage is lower than expected, it could be due to a shorted turn in the winding or a problem with the core. Inspect the windings for any visible signs of damage. The core can be damaged by mechanical stress, causing a drop in efficiency. Replacement might be the best option if any of these are the case.

Tips for Maintenance and Prolonging Lifespan

To keep your EE22 transformer running smoothly and extend its lifespan, follow these maintenance tips:

  • Proper Ventilation: Ensure the transformer has adequate ventilation. Overheating is one of the most common causes of failure. Proper airflow helps dissipate heat and prevents excessive temperatures.
  • Regular Inspections: Periodically inspect the transformer for any signs of damage, such as cracks, burns, or loose connections. This can help you catch problems early. Look for any changes in output voltage or unusual behavior.
  • Avoid Overloading: Never exceed the transformer’s rated power capacity. Overloading can lead to overheating and premature failure. Always match the transformer to the load requirements of the devices it is powering.

Comparing EE22 Transformers to Other Types

Now, let’s put the EE22 transformer in context and see how it stacks up against other types of transformers.

EE22 vs. Toroidal Transformers

  • EE22 Transformers: These are typically more cost-effective and easier to manufacture, making them suitable for a wide range of applications. Their core is made of E-shaped sections, making them easy to assemble. They are usually more compact, with better shielding properties, which reduces electromagnetic interference.
  • Toroidal Transformers: These transformers have a core shaped like a donut. They are known for their high efficiency and low electromagnetic interference (EMI) due to their closed-core design. Toroidal transformers are generally more expensive to manufacture and are often used in high-end audio equipment and specialized applications. They are better at noise reduction, due to their construction. Also, they have a lower profile, which can be useful in applications where space is limited.

EE22 vs. EI Transformers

  • EE22 Transformers: The ‘EE’ core design contributes to high efficiency and better heat dissipation. They are compact and often used in a broad range of products. They are often less expensive and easier to produce, making them great for mass production.
  • EI Transformers: These transformers use an ‘EI’ core, which consists of E-shaped and I-shaped laminations. They are simpler in construction but may have lower efficiency compared to the ‘EE’ design, especially at higher frequencies. They are generally less expensive to manufacture, but the design is not as efficient as the EE22.

The technology of EE22 transformers and transformers in general is always evolving. Here’s a peek at what’s on the horizon:

  • Miniaturization: There’s a push to make transformers smaller and more efficient. This trend is driven by the demand for compact electronic devices, such as smartphones and wearables. The smaller size of the EE22 transformer is a great thing for this trend.
  • High-Frequency Operation: Researchers and manufacturers are working on improving the performance of transformers at higher frequencies. This can lead to smaller and more efficient power supplies. The goal is to reduce size while improving efficiency.
  • Advanced Materials: New core materials, such as amorphous metals and nanocrystalline materials, are being developed to reduce losses and improve efficiency. These new materials can help transformers operate more efficiently. Using these materials can lead to better performance and reliability.

Conclusion: The Undeniable Importance of the EE22 Transformer

And there you have it, folks! The EE22 transformer might seem like a small part, but it plays a huge role in the tech world. From your phone charger to your computer, it’s silently ensuring that your devices receive the correct power and operate safely. Its reliability, efficiency, and versatility make it an indispensable component in the modern world. Understanding how it works not only helps you appreciate the technology around you but also equips you with the knowledge to troubleshoot and maintain your electronics. Keep an eye out for these little workhorses, and you’ll have a new appreciation for the magic behind the power.