LM741CH Op-Amp: Datasheet & Features Explained

T.Serverblend 0 views
LM741CH Op-Amp: Datasheet & Features Explained

LM741CH Op-Amp: Datasheet & Features Explained

Hey guys! Today, we’re diving deep into the world of the LM741CH op-amp , a classic workhorse in the electronics realm. If you’ve ever tinkered with analog circuits, chances are you’ve come across this little guy. We’re going to break down its datasheet, understand its key features, and figure out why it’s still relevant even with all the fancy new chips out there. So, grab your coffee, and let’s get technical!

Understanding the LM741CH: A Timeless Classic

The LM741CH is a high-performance operational amplifier that has been a staple in electronic designs for decades. Its simplicity, reliability, and versatility have made it a go-to choice for a vast array of applications, from audio amplifiers and filters to active rectifiers and voltage followers. When you’re looking at the LM741CH datasheet PDF , you’re essentially looking at the blueprint for this incredibly useful component. It details everything you need to know about its electrical characteristics, pin configurations, absolute maximum ratings, and suggested operating conditions. Understanding these parameters is crucial for successfully integrating the LM741CH into your projects and ensuring optimal performance and longevity. The datasheet isn’t just a collection of numbers; it’s a guide that empowers you to harness the full potential of the LM741CH. It tells you how much voltage it can handle without frying, how fast it can react to changes, and how much noise it might introduce into your signal. For beginners, it might seem a bit daunting at first, but by breaking it down section by section, you’ll find it’s a treasure trove of information. We’ll be exploring the most critical parts of the datasheet, so you can quickly grasp what matters most for your specific application. The LM741CH is known for its internal compensation, which simplifies its use by eliminating the need for external capacitors to ensure stability over a wide range of operating conditions. This built-in feature is a significant advantage, especially for hobbyists and engineers working on compact or cost-sensitive designs. Its wide common-mode and differential voltage ranges also contribute to its flexibility. This means it can handle signals that are quite large or that vary significantly between its input terminals, making it robust in less-than-ideal signal environments. The LM741CH operates over a wide temperature range, which is indicated by the ‘CH’ in its designation, suggesting it’s suitable for commercial applications. The PDF datasheet is your best friend here, detailing the exact temperature coefficients and ensuring you know its limits in different environments. Whether you’re designing a simple audio pre-amplifier or a more complex signal conditioning circuit, the LM741CH offers a solid foundation. Its availability in various package types, like the TO-99 metal can or the 8-pin DIP, also adds to its widespread adoption and ease of use in breadboarding and PCB designs. Navigating the datasheet effectively will save you time, prevent potential design errors, and ultimately lead to more successful electronic projects. So, let’s dive into the specifics of what makes the LM741CH such a enduring component.

Key Features and Specifications from the LM741CH Datasheet

Alright, let’s get down to the nitty-gritty of the LM741CH datasheet PDF . When you first crack it open, you’ll see a bunch of specs. Don’t let them scare you! We’ll focus on the ones that really matter for most projects. First up, we have the input offset voltage . This is super important because it tells you how much voltage difference there is between the two input terminals when the output is supposed to be zero. A lower number is generally better, meaning your amplifier is more accurate. For the LM741CH, this is typically in the millivolt range, which is pretty good for its class. Then there’s the input bias current . This is the small DC current that flows into or out of the input terminals. Again, lower is better for accuracy, especially in high-impedance circuits. The LM741CH has input bias currents in the nanoampere range, which is decent. Another critical spec is the common-mode rejection ratio (CMRR) . This measures how well the op-amp rejects signals that are common to both inputs. A high CMRR means it’s good at ignoring noise that might be present on both input lines. You’ll want to look for a high dB value here. The slew rate is also a big one, especially if you’re dealing with fast-changing signals or high frequencies. It tells you the maximum rate of voltage change at the output. A faster slew rate means the op-amp can keep up with quicker signals without distortion. The LM741CH has a typical slew rate of around 0.5 V/µs, which is adequate for many audio and general-purpose applications, though not cutting-edge for very high-speed circuits. Gain-Bandwidth Product (GBWP) is another crucial parameter. It’s the product of the op-amp’s open-loop gain and the frequency at which that gain drops to unity (1). This tells you how much gain you can expect at a certain frequency. For instance, if the GBWP is 1 MHz, you can expect a gain of 100 at 10 kHz, or a gain of 10 at 100 kHz. The LM741CH typically has a GBWP of about 1 MHz. Don’t forget the power supply rejection ratio (PSRR) . This indicates how well the op-amp rejects variations in its power supply voltage. A high PSRR is desirable to prevent power supply noise from showing up at the output. The datasheet will provide values for both positive and negative supply variations. Output voltage swing tells you the maximum output voltage the op-amp can produce without distortion, relative to the power supply rails. This is important for ensuring your output signal stays within the operational limits. Lastly, always check the absolute maximum ratings . These are the limits beyond which the device can be permanently damaged. This includes maximum supply voltages, input voltages, and operating temperatures. Respecting these limits is paramount for the reliability of your circuit. Understanding these key specs from the LM741CH datasheet will give you a solid foundation for designing with this versatile op-amp. It’s all about matching the chip’s capabilities to your project’s requirements.

Pinout and Basic Configuration

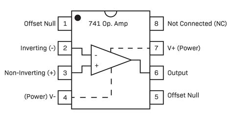
Let’s talk about the physical layout of the LM741CH , specifically its pinout. This is usually one of the first things you’ll find in the LM741CH datasheet PDF and it’s super important for connecting everything correctly. The most common package for the LM741CH is the 8-pin dual in-line package (DIP), though you might also see it in a TO-99 metal can package. For the 8-pin DIP, here’s the typical pinout, usually shown as viewed from the top with the notched end to the left:

  • Pin 1: Offset Null - This pin is used for fine-tuning the output offset voltage to zero. You usually connect a potentiometer here to trim out any small voltage differences.
  • Pin 2: Inverting Input (-) - This is where you apply the primary signal that you want to be amplified and phase-inverted.
  • Pin 3: Non-inverting Input (+) - This is where you apply the signal that will be amplified with the same phase as the output.
  • Pin 4: V- (Negative Supply) - Connect this to the negative power supply rail. This is crucial for proper operation.
  • Pin 5: Offset Null - This is the other pin for offset null adjustment, often paired with Pin 1.
  • Pin 6: Output - This is where the amplified signal comes out.
  • Pin 7: V+ (Positive Supply) - Connect this to the positive power supply rail.
  • Pin 8: No Connection (NC) - This pin is typically not connected in standard configurations.

Now, how do you actually use this thing? The beauty of an op-amp like the LM741CH lies in its versatility, primarily through negative feedback. The most basic configuration is the inverting amplifier . In this setup, the input signal is applied to the inverting input (Pin 2), and the non-inverting input (Pin 3) is connected to ground (or a reference voltage). A resistor network provides negative feedback from the output (Pin 6) back to the inverting input (Pin 2). The gain of an inverting amplifier is determined by the ratio of the feedback resistor to the input resistor (Gain = -Rf/Rin). The minus sign indicates the phase inversion. Another fundamental configuration is the non-inverting amplifier . Here, the input signal is applied directly to the non-inverting input (Pin 3). The inverting input (Pin 2) is connected to ground, and negative feedback is applied from the output (Pin 6) back to the inverting input (Pin 2) via a resistor divider network. The gain of a non-inverting amplifier is (1 + Rf/Rin), and importantly, there is no phase inversion. The voltage follower (or unity gain buffer) is a special case of the non-inverting amplifier where the feedback loop is connected directly from the output to the inverting input (effectively Rf = 0 or Rin = infinity). This configuration provides a gain of 1 but is incredibly useful for impedance matching – it can take a high-impedance signal source and drive a low-impedance load without signal loss. The datasheet often includes diagrams for these common configurations, illustrating the component values and connections. Understanding these basic building blocks is key to unlocking the potential of the LM741CH for a wide range of analog signal processing tasks. Remember to always consult the LM741CH datasheet PDF for the specific pinout of the package you are using and for detailed schematics of various application circuits. Proper wiring is non-negotiable for getting your circuits to work as intended!

Common Applications of the LM741CH

So, you’ve got the LM741CH datasheet, you know the pinout, and you understand the basic specs. What can you actually do with this versatile chip? Well, the LM741CH op-amp has been a workhorse for a reason – it’s incredibly flexible! Let’s look at some common applications where this little gem shines. One of the most straightforward uses is as an audio amplifier . Whether you’re building a simple headphone amp for a project or boosting a weak audio signal from a microphone, the LM741CH can handle it. Its gain characteristics and frequency response are suitable for many audio frequencies, making it a popular choice for hobbyist audio projects. You can configure it as either an inverting or non-inverting amplifier, depending on your specific needs for phase or input impedance. Another classic application is in active filters . Unlike passive filters (which just use resistors, capacitors, and inductors), active filters use active components like op-amps to provide gain and sharper filtering characteristics. The LM741CH can be used to build various types of active filters, such as low-pass, high-pass, band-pass, and notch filters. These are essential for shaping frequency responses in audio systems, signal processing, and communication circuits. Need to convert a signal from one form to another? The LM741CH is great for signal conditioning . This can include tasks like amplifying weak sensor signals, buffering signals to prevent loading effects, or summing multiple input signals. For instance, if you have a sensor that outputs a very small voltage, you can use the LM741CH in a non-inverting configuration to boost that signal to a level that your microcontroller or other circuitry can easily read. The voltage follower configuration is particularly useful here for impedance buffering. The LM741CH can also be found in comparators . While dedicated comparator ICs exist, an op-amp like the LM741CH can be configured as a comparator in simple applications. It compares two input voltages and outputs a high or low signal depending on which input is greater. This is fundamental for tasks like threshold detection or converting analog signals to digital representations in basic systems. Furthermore, it’s widely used in instrumentation amplifiers (often as part of a larger circuit with multiple op-amps) for precise differential measurements, especially in applications where common-mode noise rejection is critical. Think of medical equipment or precise sensor readings. Its ability to operate with split power supplies (positive and negative) also makes it suitable for circuits that need to handle signals swinging both above and below a reference point, like in audio circuits or certain signal processing stages. The LM741CH is also a foundational component in many teaching labs around the world. Because it’s relatively inexpensive, easy to understand, and forgiving in many applications, it’s the perfect op-amp for students learning the principles of analog electronics. The LM741CH datasheet PDF serves as an excellent educational tool, allowing students to correlate theoretical concepts with practical component behavior. While newer, more specialized op-amps offer superior performance in specific areas like speed, noise, or power consumption, the LM741CH remains a go-to for general-purpose analog tasks due to its balance of performance, cost, and ease of use. Its ubiquity in datasheets and application notes makes it a readily available reference for countless circuit designs.

Tips for Using the LM741CH Effectively

To wrap things up, let’s share some practical tips for using the LM741CH op-amp to get the best results. First off, always pay close attention to the LM741CH datasheet PDF , especially the absolute maximum ratings . Seriously, guys, don’t try to run this chip outside of its specified voltage or temperature limits. It’s like trying to run your car engine at redline all day – something’s bound to break! This means ensuring your power supply voltages (V+ and V-) are within the recommended range and that the device isn’t exposed to excessive heat. For the LM741CH, typical supply voltages are in the ±5V to ±18V range. Exceeding these can damage the IC permanently. Another key tip is related to stability . Op-amps can become unstable and oscillate, especially at higher frequencies or with capacitive loads. The LM741CH has internal compensation, which helps, but it’s still good practice to avoid capacitive loads directly on the output if possible, or to use a small series resistor (like 10-100 ohms) between the output pin and the load to prevent oscillations. Also, when using the op-amp in high-gain configurations, be mindful of its Gain-Bandwidth Product (GBWP) . As we mentioned, it’s around 1 MHz. If you need high gain at higher frequencies, the LM741CH might not be the best choice, and you might experience signal attenuation or distortion. For high-frequency applications, you’ll need to look at op-amps with much higher GBWPs. Decoupling capacitors are your best friends when working with any IC, including the LM741CH. Place small ceramic capacitors (e.g., 0.1 µF) close to the V+ and V- pins of the op-amp. These capacitors act as local reservoirs of charge, smoothing out any high-frequency noise on the power supply lines that could otherwise affect the op-amp’s performance or cause instability. Think of them as little shock absorbers for your power supply. For offset nulling , don’t forget about those offset null pins (Pin 1 and Pin 5). If your application requires very precise DC accuracy, use a potentiometer (typically 10 kΩ) connected between these pins and ground (or the negative supply, check the datasheet) to adjust the output to exactly zero volts when the inputs are shorted or at the desired reference. This is crucial for applications like precise measurement or DC amplification. When designing circuits, try to keep the input impedance of your circuit high and the output impedance low. This is where configurations like the voltage follower shine. If you’re dealing with weak signals from high-impedance sources (like some sensors or pickups), use a non-inverting amplifier or a voltage follower configuration with the LM741CH to avoid loading down the source. Finally, remember that while the LM741CH is a fantastic general-purpose op-amp, it’s not the best choice for every application. For applications demanding extremely low noise, very high speed, low power consumption, or rail-to-rail output swings, newer specialized op-amps might be more suitable. However, for learning, prototyping, and many standard analog tasks, the LM741CH remains a reliable and cost-effective option. Always keep that LM741CH datasheet PDF handy – it’s your ultimate guide!